国家高新技术企业微生汽车技术(宁波)有限公司致力于为高效动力和新能源汽车提供热管理核心零部件,集产品研发、测试和制造于一体。该公司位于中国宁波。依靠领先的技术能力、快速的反应和专业的服务为客户增值。
以创新为基础,以技术为驱动,致力于开发优势产品,涵盖各类电子冷却泵、电子水阀、热管理模块等。微生科技将于4月19日至28日携旗下全部产品亮相第19届上海国际汽车工业博览会。欢迎来到国家会展中心(上海)1.2H馆,5BJ021展位。
面对国际半导体公司供货不稳定的严峻形势,加快芯片国产化是大势所趋。自主研发采用国产芯片的电子泵,保证客户稳定的供应链,已经成为行业迫切需要解决的现实问题。微生科技以市场为基础,以创新和R&D为核心,积极自主研发和引进全国产化电子水泵控制器;

图1
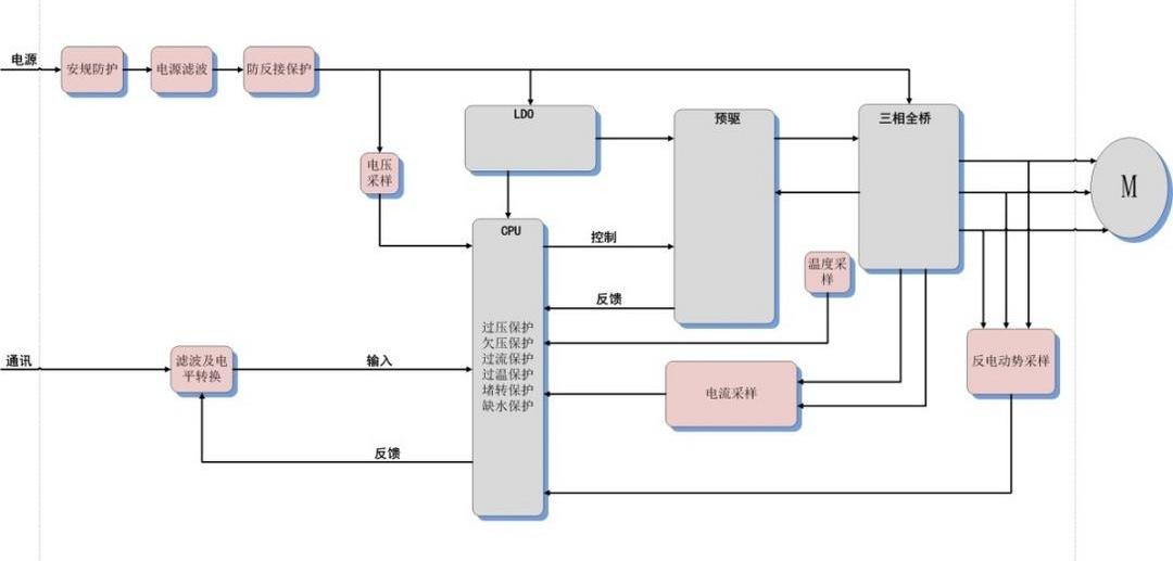
硬件采用控制单元和驱动单元分离的方案。如图1所示,上电后,MCU通过SPI通信发送配置参数,初始化预驱动芯片。初始化后,MCU根据已有的控制信号发送PWM(H1、H2、H3、L1、L2、L3)组合信号,预驱动同步控制MOS管的开关,实现水泵电机的运行控制。预驱动芯片负责对载波周期内的单阻相电流进行采样,采样通过运放数据发送给MCU。单片机用软件。

图2
在软件方案中,矢量控制也称为磁场定向控制,FOC)。在FOC中,电机的定子电流被分解为产生磁场的DC电流(励磁电流)和控制转矩的正交电流,通过速度和电流的双环控制实现电机的高性能运行。还包括故障诊断功能,如电机干转、堵转、过流、过压、超温检测和报警,输入接口可使用PWM或LIN。完整的FOC电机控制软件包括模块:
相电流测量
三角函数变换
通量和电角度估计
比例积分控制器
空间矢量调制

图3微生汽车科技(宁波)有限公司,国家高新技术企业,致力于为高效动力和新能源汽车提供热管理核心零部件,集产品研发、测试、制造于一体。该公司位于中国宁波。依靠领先的技术能力、快速的反应和专业的服务为客户增值。
以创新为基础,以技术为驱动,致力于开发优势产品,涵盖各类电子冷却泵、电子水阀、热管理模块等。微生科技将于4月19日至28日携旗下全部产品亮相第19届上海国际汽车工业博览会。欢迎来到国家会展中心(上海)1.2H馆,5BJ021展位。
面对国际半导体公司供货不稳定的严峻形势,加快芯片国产化是大势所趋。自主研发采用国产芯片的电子泵,保证客户稳定的供应链,已经成为行业迫切需要解决的现实问题。微生科技以市场为基础,以创新和R&D为核心,积极自主研发和引进全国产化电子水泵控制器;
图1
硬件采用控制单元和驱动单元分离的方案。如图1所示,上电后,MCU通过SPI通信发送配置参数,初始化预驱动芯片。初始化后,MCU根据已有的控制信号发送PWM(H1、H2、H3、L1、L2、L3)组合信号,预驱动同步控制MOS管的开关,实现水泵电机的运行控制。预驱动芯片负责对载波周期内的单阻相电流进行采样,采样通过运放数据发送给MCU。单片机用软件。

图2
在软件方案中,矢量控制也称为磁场定向控制,FOC)。在FOC中,电机的定子电流被分解为产生磁场的DC电流(励磁电流)和控制转矩的正交电流,通过速度和电流的双环控制实现电机的高性能运行。还包括故障诊断功能,如电机干转、堵转、过流、过压、超温检测和报警,输入接口可使用PWM或LIN。完整的FOC电机控制软件包括模块:
相电流测量
三角函数变换
通量和电角度估计
比例积分控制器
空间矢量调制

图3
标签:优越
作者编辑部4月15日,寰球汽车集团邀请行业专家、咨询机构,走进宁波杭州湾的吉利汽车研发中心、极氪工厂以及威睿电池工厂等地。
1900/1/1 0:00:00近日,我们从外媒获悉,福特计划在今年晚些时候以FOTA升级的方式在2021款福特F150参数询价和2021款MustangMachE上推出其自动驾驶辅助系统,
1900/1/1 0:00:00近日,据丰田官方表示,一汽丰田RAV4荣放双擎E将于2021年4月17日上市。新车外观与海外版本保持一致,并采用25升自然吸气发动机加电动机组成的混动系统。
1900/1/1 0:00:00女性负责貌美如花男性负责赚钱养家的时代已经一去不复返了现代女性崇尚事业、追寻自我、讲究个性用满满的“她力量”实现向往的美好生活。
1900/1/1 0:00:00日前,由贾跃亭创办的FaradayFuture(法拉第未来,下文简称:FF)宣布了新的全球线上(O2O)直销组织、战略和销售伙伴。
1900/1/1 0:00:00分享2021年4月17日晚,长安马自达发布旗下CX5黑骑士版车型,并首发CX30EV,马自达将在2030年实现“碳中和”。
1900/1/1 0:00:00