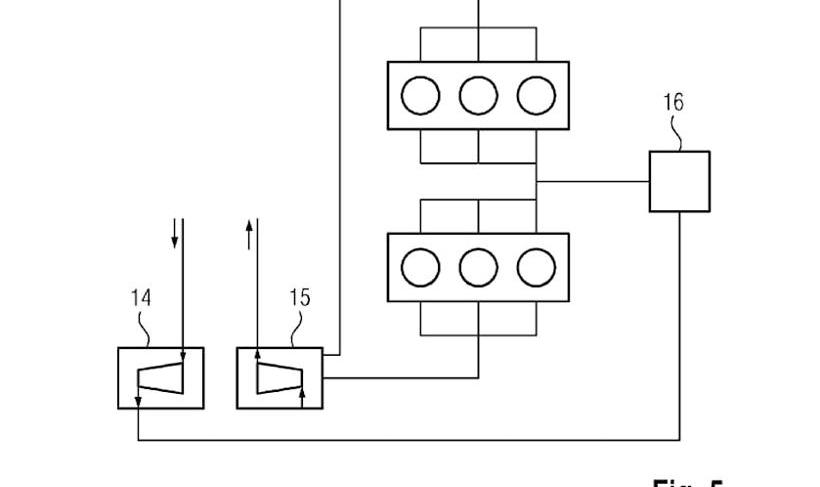
许多汽车制造商认为使用更多的涡轮增压器不一定能提高性能。在传统的涡轮增压系统中,压缩机或涡轮的入口侧直接连接到排气涡轮或涡轮的出口。压缩机叶轮越大,涡轮增压器滞后越多。如果排气侧同样大,涡轮增压器将仅在高速时以最有效的方式运转。因此,许多汽车制造商转向双涡轮增压,以实现宽功率范围内的快速加速。然而,一个大型压缩机可以用来向发动机输送更多的空气,而在低速时不会损失任何效率吗?

(来源:保时捷)
据外媒报道,保时捷申请了一项涡轮增压器的新专利,可以显著增强性能,提高效率。在专利申请中,Porsche建议将压缩机与排气涡轮分离,或将其与排气涡轮分离,因此需要两个与旁通阀相关联的排气涡轮。涡轮机可以低速关闭,以最大程度地从废气中提取能量。当这些涡轮机旋转时,它们可以向发电机供电,同事们也可以向电机供电,然后电机驱动压缩机。实质上,这项专利将电动涡轮增压器的概念与双涡轮增压器装置的概念结合在一起,同时将大型单涡轮增压器的更高输出与两个较小涡轮增压器的效率和响应结合在一起。由于排气涡轮并不直接与压气机相连,所以即使一侧低速旋转,被“解构”的涡轮的另一侧也能高速旋转,这意味着每个涡轮都能始终运行在自己的最佳运行范围内。

(来源:美国专利商标局)
由于“大涡轮”(压缩机)由电机驱动,动力输出可以瞬间完成,在转速较高时,可以打开“两个小涡轮”(排气涡轮)上的旁通阀,提高经济性,减少巡航时对发动机的压力。

(来源:美国专利商标局)
保时捷特别提到,获得专利的涡轮增压器不需要很高的增压压力(较大的涡轮增压器通常比较小的涡轮增压器需要更少的增压来达到相同的功率),但它会得到较小涡轮增压器的响应。新的专利涡轮增压器具有更高的功率和效率,这可能只会使安装更加复杂。如果降低成本,结合保时捷正在开发的合成燃料,内燃机可以燃烧更长时间。许多汽车制造商认为使用更多的涡轮增压器不一定能提高性能。在传统的涡轮增压系统中,压缩机或涡轮的入口侧直接连接到排气涡轮或涡轮的出口。压缩机叶轮越大,涡轮增压器滞后越多。如果排气侧同样大,涡轮增压器将仅在高速时以最有效的方式运转。因此,许多汽车制造商转向双涡轮增压,以实现宽功率范围内的快速加速。然而,一个大型压缩机可以用来向发动机输送更多的空气,而在低速时不会损失任何效率吗?

(来源:保时捷)
据外媒报道,保时捷申请了一项涡轮增压器的新专利,可以显著增强性能,提高效率。在专利申请中,Porsche建议将压缩机与排气涡轮分离,或将其与排气涡轮分离,因此需要两个与旁通阀相关联的排气涡轮。涡轮机可以低速关闭,以最大程度地从废气中提取能量。当这些涡轮机旋转时,它们可以向发电机供电,同事们也可以向电机供电,然后电机驱动压缩机。实质上,这项专利将电动涡轮增压器的概念与双涡轮增压器装置的概念结合在一起,同时将大型单涡轮增压器的更高输出与两个较小涡轮增压器的效率和响应结合在一起。因为排气涡轮不直接连接到压缩机,即使一侧低速旋转,另一侧的“解构”涡轮……n高速旋转,这意味着每个涡轮机总是能够在自己的最佳运行范围内运行。

(来源:美国专利商标局)
由于“大涡轮”(压缩机)由电机驱动,动力输出可以瞬间完成,在转速较高时,可以打开“两个小涡轮”(排气涡轮)上的旁通阀,提高经济性,减少巡航时对发动机的压力。

(来源:美国专利商标局)
保时捷特别提到,获得专利的涡轮增压器不需要很高的增压压力(较大的涡轮增压器通常比较小的涡轮增压器需要更少的增压来达到相同的功率),但它会得到较小涡轮增压器的响应。新的专利涡轮增压器具有更高的功率和效率,这可能只会使安装更加复杂。如果降低成本,结合保时捷正在开发的合成燃料,内燃机可以燃烧更长时间。
标签:保时捷
2022年1月10日,在我国第二个中国人民警察节到来之际,广汽传祺警务用车也传来了喜报:广汽传祺在2021年部警用装备采购中心电子卖场销量突破1000产品实力过硬,
1900/1/1 0:00:00根据国务院印发的《新能源汽车产业发展规划(20212035年)》文件显示,到2025年,我国智能汽车销量将达到当年汽车总销量20,其中有条件自动驾驶智能网联汽车销量占比30;
1900/1/1 0:00:00如果你是未来汽车日报的忠实读者;如果你关注电动汽车,愿意为新能源车的发展贡献一份力量;如果你乐于与其他读者交流,共同探究未来出行方式;
1900/1/1 0:00:001月11日,盖世汽车了解到,吉利汽车研究院、中汽数据、腾讯云和安恒信息联合签署车联网网络安全实验室战略合作框架,并举行了实验室揭牌仪式。
1900/1/1 0:00:00盖世汽车讯据外媒报道,1月13日,特斯拉首席执行官埃隆马斯克(ElonMusk)在推特上回答网友有关何时在印度推出电动汽车的问题时表示,特斯拉在印度“仍在应对当地政府带来的诸多挑战”。
1900/1/1 0:00:00盖世汽车讯据外媒报道,恩智浦半导体(NXPSemiconductors)推出两款全新4D成像雷达芯片NXPS32R45和NXPS32R41,再次更新其行业领先的汽车雷达产品组合。
1900/1/1 0:00:00