在混合动力汽车中,如何调整电池、电机和内燃机之间的关系一直备受关注。据外媒报道,在最近公布的一份专利申请中,保时捷提出了电池冷却问题的解决方案。

(来源:美国专利商标局)
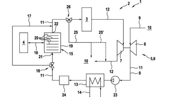
简而言之,保时捷希望利用发动机涡轮增压器(最好是电动涡轮增压器)的增压空气来冷却混合动力汽车的电池。汽车制造商详细介绍了一种布局,即把电池(甚至是单个电芯)放在发动机的进气口来达到这个目的。这样,压缩空气可用于向发动机的进气侧提供额外的压力,并从电池吸收热量。文件指出,在这个过程中,空气可能“有点热”。
该专利申请名为“具有混合动力驱动的车辆”。首先,外部空气被传统的涡轮增压器或电动增压器压缩。然后,让气流通过一个助推器,如“鼓风机、泵、压缩机等。”。如果系统使用传统的涡轮增压器,这些辅助装置可以在发动机低速运转时为电池提供冷却空气。换句话说,如果电池仍然很热,而涡轮增压器没有提供足够的冷却气流,则通过增压器会产生更多的气流。如果系统使用电动压缩机而不是传统的涡轮增压器,则可能不需要这样的设备。
然后,加压空气通过中间冷却器,然后通过加热元件。在寒冷的天气,这将用于加热进气,以调整电池的状态。这个过程完成后,气流通过电池的旁通阀。基本上,保时捷认为,如果电池不需要冷却,也可以绕过旁通阀,直接进入发动机。这个阀门也有点像恒温器,可以打开/关闭,以保持理想的电池温度。
然后它到达发动机并通过2号旁通阀。如果用户想将电池的热量排出车外(而不是进入汽车的进气口),可以使用这个阀门。当节气门关闭或车辆静止时,可以使用该阀。专利显示,这种热量可以直接排放到大气中,或者排放到排气系统中。
汽车制造商表示,这主要是为了减轻重量和复杂性。但这种电池散热方案能否达到预期效果还不确定。
1在混合动力汽车中,如何调整电池、电机和内燃机之间的关系一直备受关注。据外媒报道,在最近公布的一份专利申请中,保时捷提出了电池冷却问题的解决方案。

(来源:美国专利商标局)
简而言之,保时捷希望利用发动机涡轮增压器(最好是电动涡轮增压器)的增压空气来冷却混合动力汽车的电池。汽车制造商详细介绍了一种布局,即把电池(甚至是单个电芯)放在发动机的进气口来达到这个目的。这样,压缩空气可用于向发动机的进气侧提供额外的压力,并从电池吸收热量。文件指出,在这个过程中,空气可能“有点热”。
该专利申请名为“具有混合动力驱动的车辆”。首先,外部空气被传统的涡轮增压器或电动增压器压缩。然后,让气流通过一个助推器,如“鼓风机、泵、压缩机等。”。如果系统使用传统的涡轮增压器,这些辅助装置可以在发动机低速运转时为电池提供冷却空气。换句话说,如果电池仍然很热,而涡轮增压器没有提供足够的冷却气流,则通过增压器会产生更多的气流。如果系统使用电动压缩机而不是传统的涡轮增压器,则可能不需要这样的设备。
然后,加压空气通过中间冷却器,然后通过加热元件。在寒冷的天气,这将用于加热进气,以调整电池的状态。这个过程完成后,气流通过电池的旁通阀。基本上,保时捷认为,如果电池不需要冷却,也可以绕过旁通阀,直接进入发动机。这个阀门也是……有点像恒温器,可以打开/关闭以保持理想的电池温度。
然后它到达发动机并通过2号旁通阀。如果用户想将电池的热量排出车外(而不是进入汽车的进气口),可以使用这个阀门。当节气门关闭或车辆静止时,可以使用该阀。专利显示,这种热量可以直接排放到大气中,或者排放到排气系统中。
汽车制造商表示,这主要是为了减轻重量和复杂性。但这种电池散热方案能否达到预期效果还不确定。
标签:保时捷
作者王一萍编辑王鑫来源汽车预言家近日相关消息显示,在6月10日晚间,ST众泰披露定增预案,
1900/1/1 0:00:00近日,我们从官方了解到,英菲尼迪推出全新服务品牌“英菲尼迪和TA的朋友们”重磅上线,将为广大客户朋友带来3大品牌服务承诺、3大用户关怀产品与3大畅享体验权益,
1900/1/1 0:00:00作者王一萍编辑王鑫来源汽车预言家6月17日晚间,大众汽车集团中国对外正式宣布,大众汽车集团在中国市场对管理架构进行根本性调整,
1900/1/1 0:00:00随着运输业呈现电气化转变趋势,汽车必须具有安全、可靠并且易于使用的系统,这为工程师和软件架构设计师带来了巨大压力。
1900/1/1 0:00:00不知从什么时候开始,跨界造车,见怪不怪。互联网公司、手机数码品牌,甚至搞房地产的都想掺合一脚360集团创始人周鸿祎之前很明确地说,“雷军都能干,我有什么不能干的。
1900/1/1 0:00:00分享中国早已是大多数外资汽车品牌的全球第一大市场,但进入2022年以来,中国市场又多了一个新的标签全球新能源汽车竞争最激烈的市场。
1900/1/1 0:00:00